放电计数器虽然看似是一个小装置,但在电力系统中却有着重要的作用。随着电力系统的不断发展和对安全要求的不断提高,放电计数器也将不断和完善,为电力系统的安全稳定运行保驾护航!在电力系统中,放电计数器是监测避雷器动作情况的重要设备,其准确可靠的运行对于保障电力设备的安全至关重要。以下是一些选购放电计数器时需要考虑的要点!性能指标计数精度计数精度是放电计数器的核心指标之高精度的计数器能够准确记录避雷器的每一次动作,为电力系统的运行维护提供可靠的数据支持!
避雷器作为保护电气设备免受雷击过电压和操作过电压损害的重要装置,其性能的好坏直接关系到电力系统的安全!通过放电计数器记录的放电次数,运维人员可以判断避雷器是否频繁动作,进而评估其性能是否下降,是否需要进行更换或维护!同时,放电计数器的数据也有助于分析电力系统的过电压情况!通过对不同时间段、不同地点的放电计数器数据进行统计和分析,可以了解电力系统中过电压的发生规律和特点,为电力系统的绝缘配合设计、过电压防护措施的制定提供依据!
随着科技的不断发展,放电计数器也在不断进步!早期的放电计数器多为机械计数式,其结构简单,但精度和可靠性相对较低.如今,电子计数式放电计数器逐渐成为主流!电子计数式计数器具有精度高、可靠性强、可远程传输数据等优点,能够更好地满足现代电力系统自动化和智能化的需求。此外,一些先进的放电计数器还具备数据存储和分析功能!它们可以存储大量的放电数据,并通过内置的算法对数据进行分析,为运维人员提供更详细的信息和决策支持。
高品质哪里有计数器批发
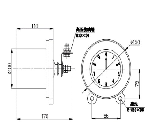
不同类型和规格的避雷器对计数器的要求可能不同,应根据实际情况选择合适的计数器!与电力系统的适配放电计数器是一种用于记录避雷器等设备放电次数的装置,对于电力系统的安全运行和故障诊断具有重要意义!以下将从其配置的多个方面进行介绍。与避雷器的匹配放电计数器通常与避雷器配合使用,在配置时,要确保其与避雷器的电气性能相匹配。比如额定电压,放电计数器的额定电压需要与所连接的避雷器额定电压一致,这样才能保证在避雷器正常动作时,放电计数器能够准确记录放电次数。
找哪里有计数器批发
哪里有计数器批发
在选购时,可以了解产品的生产工艺和质量检测流程,确保产品符合相关标准和要求!防护等级考虑到放电计数器通常安装在户外等恶劣环境中,其防护等级也是一个重要的考虑因素.较高的防护等级能够有效防止灰尘、雨水等对计数器的侵蚀,延长产品的使用寿命!一般来说,应选择防护等级不低于IP54的产品.适配性与避雷器的适配放电计数器需要与避雷器配套使用,因此在选购时要确保计数器与所使用的避雷器在电气参数、安装尺寸等方面相适配!
如果您看到这段话,说明您对我们计数器感兴趣,不要犹豫,给我们一个机会,也给自己一个机会。 拿起手机来拨打我们的电话。养乐等待着您的每一次致电:13892815377 让西安苏源电器有限公司为您服务, 我们在陕西省咸阳市高新技术产业开发区高科三路中国电子西部智谷1期B1-B2栋这里等您。
西安苏源电器有限公司是一家着力于研究电子电器生产线的公司, 经过多年的坚持不懈与努力,公司在业内也算是有属于自己的一片天。 公司多年来一直坚持为客户提供专业、快捷、周到的服务,愿与业内同仁共同致力于行业的进步。 公司主营产品有:计数器,我们在这里等待您的到来!
NEWS
哪里有过电压保护器_陕西哪里有过电压保护器零售_西安苏源电器有限公司
2025-05-24陕西西安哪里有过电压保护器经销_陕西哪里有过电压保护器厂家_西安苏源电器有限公司
2025-05-24陕西西安过电压保护器经销商_陕西过电压保护器生产_西安苏源电器有限公司
2025-05-24哪里有过电压保护器批发商_陕西西安过电压保护器厂家_西安苏源电器有限公司
2025-05-24过电压保护器供应商_陕西西安哪里有过电压保护器平台_西安苏源电器有限公司
2025-05-24陕西西安哪里有过电压保护器批发商_哪里有过电压保护器厂家_西安苏源电器有限公司
2025-05-24哪里有在线监测仪装置_陕西哪里有在线监测仪公司_西安苏源电器有限公司
2025-05-23过电压保护器厂家_陕西西安哪里有过电压保护器设备_西安苏源电器有限公司
2025-05-23哪里有计数器_陕西计数器公司_西安苏源电器有限公司
2025-05-23陕西西安哪里有过电压保护器平台_陕西哪里有过电压保护器供应商_西安苏源电器有限公司
2025-05-23